سلام
یه منبع تغذیه سوییچینگ کوچک وکم حجم 12ولت 300 میلی میخوام بدون استفاده از ترانس خیلی وقته دنبالشم ولی بااین وسعت الکترونیک پیدانکردم که بتونه یک رله رو راه اندازی کنه
اگه همچین مداری موجود دارین لطفا اپ کنین کمک بزرگی کردین بمن
تشکر
سلام
یه منبع تغذیه سوییچینگ کوچک وکم حجم 12ولت 300 میلی میخوام بدون استفاده از ترانس خیلی وقته دنبالشم ولی بااین وسعت الکترونیک پیدانکردم که بتونه یک رله رو راه اندازی کنه
اگه همچین مداری موجود دارین لطفا اپ کنین کمک بزرگی کردین بمن
تشکر








دوست عزیز
اماده این ادابتور در بازار هست وقیمتی هم نداره
!!!!
واینکه اگه از رله 5ولتی با همون امپر استفاده کنید میتونید از ادابتور موبایل که 5 ولته استفاده نمایید
ویرایش توسط ASALAK : 4th August 2016 در ساعت 11:42








دوست عزیز گفتم که باید 12ولت باشه m.salehi عزیز ممنونم ولی این مدارات امپرشون پایینه جواب نمیده چون باید مدارروهم تغذیه کنه که حدود 200 میلی فقط اون جریان میکشه
اگه نقشه دیگه دارین که حتی باایسی باشه وکوچک وکم حجم لطف کنین تشکر








سلام
شما نوشته بودید ( بتونه یک رله رو راه اندازی کنه )
دوست خوبم شما می تونید یدونه آداپتور 12 ولت 1 آمپر سویچینگ خریداری کنید
اگه قابش هم بنظرتون بزرگ باشه مدار داخلش رو استفاده کنید
حدودا 10 هزار تومن قیمتشه شما اگه بخواید مداری با این توان بسازید
مطمئنا هزینه بیشتر و وقت بیشتری رو صرف میکنید
موفق باشید
باتشکر دوستان
ولی همونطورکه درعکس میبینید جانمیشه اداپتور اماده حتی بردش. ترانس همون قرمزه که عکسشو گذاشتم اگه راهی هست راهنمایی فرمایید
ویرایش توسط zarbat : 4th August 2016 در ساعت 19:24








جنابzarbat
عکس که میفرمایید کجاست
؟؟؟
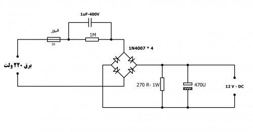
مدار اخریو درست کردم جواب نداد چرا؟








سلام
این برده الکترواستیل مربوط به هود هست ؟
در حال حاضر 1 کاربر در حال مشاهده این موضوع است. (0 کاربران و 1 مهمان ها)