.تعمیـــرکاران کیان ست (kiansat.tv)تابع قوانین -جمهموری-اسلامی ایران میباشد و ارسال هر گونه مطلب سیاسی،مذهبی،غیراخلاقی و خرید و فروش متعلقات ماه-واره و دیگر موارد مجرمانه ممنوع میباشد وبا کاربران خاطی به شدت برخورد میگردد انجمن فقط تعمیرات لوازم الکترونیک میباشد...













سلام مهمان گرامی؛
به کیان ست خوش آمدید برای مشاهده انجمن با امکانات کامل می بايست از طريق این لینک عضو شوید.

https://teranzit.pw/uploads/14469017281.png
پیام خصوصی به مدیریت کل سایت ........... صفحه توضیحات و شرایط گروه ویژه ........... ...........
ارتباط تلگرامی با مدیریت سایت ................. ایدی تلگرام suportripair@ .................
نمایش نتایج: از شماره 1 تا 1 , از مجموع 1

موضوع: ردیاب LRL

Hybrid View

پست قبلی پست قبلی   پست بعدی پست بعدی
  1. #1


    تاریخ عضویت
    Aug 2010
    نوشته ها
    14
    تشکر ها
    1
    172 سپاس از14 پست

    پیش فرض ردیاب LRL

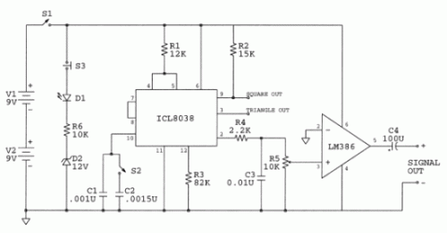
    با سلام خدمت همه دوستان گرامی نقشه فوق از سری ردیابهای بسیار عال است من ساحتم و جواب

    هم گرفتم


    بهتر است به جای دسته های ردیاب از دسته هایی که حودم در جلسه آینده توضیح میدهم استفاده

    کنید

    موفق باشید....Click here to enlarge

    Click here to enlarge

    Click here to enlarge

    Click here to enlarge

    Click here to enlarge

    Click here to enlarge

    Click here to enlarge

    Click here to enlarge

    Click here to enlarge
    ویرایش توسط KIAN FAR : 16th November 2010 در ساعت 17:59

  2. 11کاربر از fery بخاطر ارسال این پست مفید سپاسگزاری کرده اند:

    abbas_ne (12th August 2013),aramjan (8th April 2016),ARIYA (17th November 2010),ba.davood (4th November 2014),hamidarya (21st August 2011),KIAN FAR (16th November 2010),majidHD (16th November 2010),milad0111gh (7th July 2013),pps2011 (10th August 2013),soraty (23rd January 2017),داوودی فر (19th June 2011)

اطلاعات موضوع

کاربرانی که در حال مشاهده این موضوع هستند

در حال حاضر 1 کاربر در حال مشاهده این موضوع است. (0 کاربران و 1 مهمان ها)

کلمات کلیدی این موضوع

مجوز های ارسال و ویرایش

  • شما نمیتوانید موضوع جدیدی ارسال کنید
  • شما امکان ارسال پاسخ را ندارید
  • شما نمیتوانید فایل پیوست کنید.
  • شما نمیتوانید پست های خود را ویرایش کنید
  •  


Copyright ©2000 - 2013, Jelsoft Enterprises Ltd کیــــــــــان ستـــــــــــ ...® اولین و بزرگترین سایت فوق تخصصی الکترونیک در ایران



Cultural Forum | Study at Malaysian University