.تعمیـــرکاران کیان ست (kiansat.tv)تابع قوانین -جمهموری-اسلامی ایران میباشد و ارسال هر گونه مطلب سیاسی،مذهبی،غیراخلاقی و خرید و فروش متعلقات ماه-واره و دیگر موارد مجرمانه ممنوع میباشد وبا کاربران خاطی به شدت برخورد میگردد انجمن فقط تعمیرات لوازم الکترونیک میباشد...













سلام مهمان گرامی؛
به کیان ست خوش آمدید برای مشاهده انجمن با امکانات کامل می بايست از طريق این لینک عضو شوید.

https://teranzit.pw/uploads/14469017281.png
پیام خصوصی به مدیریت کل سایت ........... صفحه توضیحات و شرایط گروه ویژه ........... ...........
ارتباط تلگرامی با مدیریت سایت ................. ایدی تلگرام suportripair@ .................
نمایش نتایج: از شماره 1 تا 5 , از مجموع 5

موضوع: درخواست نقشه دی وی دی ال جی مدل xd5100dv

Hybrid View

پست قبلی پست قبلی   پست بعدی پست بعدی
  1. #1


    تاریخ عضویت
    Oct 2011
    نوشته ها
    8
    تشکر ها
    36
    28 سپاس از8 پست

    درخواست نقشه دی وی دی ال جی مدل xd5100dv

    با سلام خدمت همکاران گرامی
    اگر کسی نقشه دی وی دی ال جی مدل xd5100dv را دارد لطف کرده و اپلود کند شدیدا نیاز دارم با تشکررررررررررررررر

  2. 4کاربر از gahan بخاطر ارسال این پست مفید سپاسگزاری کرده اند:

    abady (26th October 2011),ARIYA (24th October 2011),elc.rgb (23rd October 2011),شهریار (23rd October 2011)

  3. #2


    تاریخ عضویت
    Dec 2009
    نوشته ها
    6,561
    تشکر ها
    66,973
    45,845 سپاس از6,557 پست

    پیش فرض

    درود
    دوست گرامی نقشه و مانوئلی برای این مدل منتشر نشده است . لطفا اگر شماره برد یا شاسی را دارید به همراه
    شماره آیسی های مدار اعلام کنید شاید در نمونه دیگر از این برد استفاده شده باشد و نقشه آن موجود باشد
    .


    جاوید ایران زمین

    زنده باد آزادی


  4. 5کاربر از ARIYA بخاطر ارسال این پست مفید سپاسگزاری کرده اند:

    abady (26th October 2011),elc.rgb (24th October 2011),KIAN FAR (25th October 2011),TAHA1 (24th October 2011),شهریار (24th October 2011)

  5. #3


    تاریخ عضویت
    Oct 2011
    نوشته ها
    8
    تشکر ها
    36
    28 سپاس از8 پست

    پیش فرض

    با تشکر
    دوست عزیز این دستگاه ای سی لودش سوخته پیدا نکردم اگر مشابهی دارد راهنمایی کنید ممنون میشم
    شماره ای سی :ip9010

  6. 4کاربر از gahan بخاطر ارسال این پست مفید سپاسگزاری کرده اند:

    abady (26th October 2011),ARIYA (25th October 2011),elc.rgb (25th October 2011),KIAN FAR (25th October 2011)

  7. #4


    تاریخ عضویت
    Dec 2009
    نوشته ها
    6,561
    تشکر ها
    66,973
    45,845 سپاس از6,557 پست

    پیش فرض

    Click here to enlarge نوشته اصلی توسط gahan Click here to enlarge
    با تشکر
    دوست عزیز این دستگاه ای سی لودش سوخته پیدا نکردم اگر مشابهی دارد راهنمایی کنید ممنون میشم
    شماره ای سی :ip9010

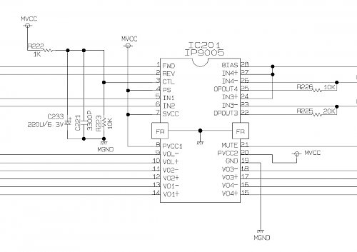
    درود
    احتمالا یکی از آیسیهای IP9005-IP9008 -IP9009 جای آن کار کند . به دیتاشیت آیسی توجه کنید و پایه ها را با آیسی خود
    مطابقت دهید . یک نمونه دیگر که در دی وی دی های ال جی به کار رفته IP4504 است که با نمونه های قبلی متفاوت است
    Click here to enlarge
    Click here to enlarge
    Click here to enlarge
    Click here to enlarge
    فایل های پیوست شده
    ویرایش توسط ARIYA : 25th October 2011 در ساعت 09:05
    .


    جاوید ایران زمین

    زنده باد آزادی


  8. 7کاربر از ARIYA بخاطر ارسال این پست مفید سپاسگزاری کرده اند:

    abady (26th October 2011),elc.rgb (25th October 2011),gahan (25th October 2011),KIAN FAR (25th October 2011),saeed1997 (2nd November 2011),TAHA1 (25th October 2011),شهریار (25th October 2011)

  9. #5


    تاریخ عضویت
    Oct 2011
    نوشته ها
    8
    تشکر ها
    36
    28 سپاس از8 پست

    پیش فرض

    ممنون از دوست گرامی
    تست میکنم جواب رو اعلام میکنم

  10. 5کاربر از gahan بخاطر ارسال این پست مفید سپاسگزاری کرده اند:

    abady (26th October 2011),ARIYA (26th October 2011),elc.rgb (25th October 2011),KIAN FAR (25th October 2011),شهریار (25th October 2011)

اطلاعات موضوع

کاربرانی که در حال مشاهده این موضوع هستند

در حال حاضر 1 کاربر در حال مشاهده این موضوع است. (0 کاربران و 1 مهمان ها)

کلمات کلیدی این موضوع

مجوز های ارسال و ویرایش

  • شما نمیتوانید موضوع جدیدی ارسال کنید
  • شما امکان ارسال پاسخ را ندارید
  • شما نمیتوانید فایل پیوست کنید.
  • شما نمیتوانید پست های خود را ویرایش کنید
  •  


Copyright ©2000 - 2013, Jelsoft Enterprises Ltd کیــــــــــان ستـــــــــــ ...® اولین و بزرگترین سایت فوق تخصصی الکترونیک در ایران



Cultural Forum | Study at Malaysian University